Facebook
  • RX581-146-A1 Width:125[4.92] x Height:135[5.31]
  • RX581-146-A1 Width:125[4.92] x Height:135[5.31]

RX581-146-A1 Width:125[4.92] x Height:135[5.31]

No.RX581-146-A1
  • RX581-146-A1 Width:125[4.92] x Height:135[5.31]

Description

Overview

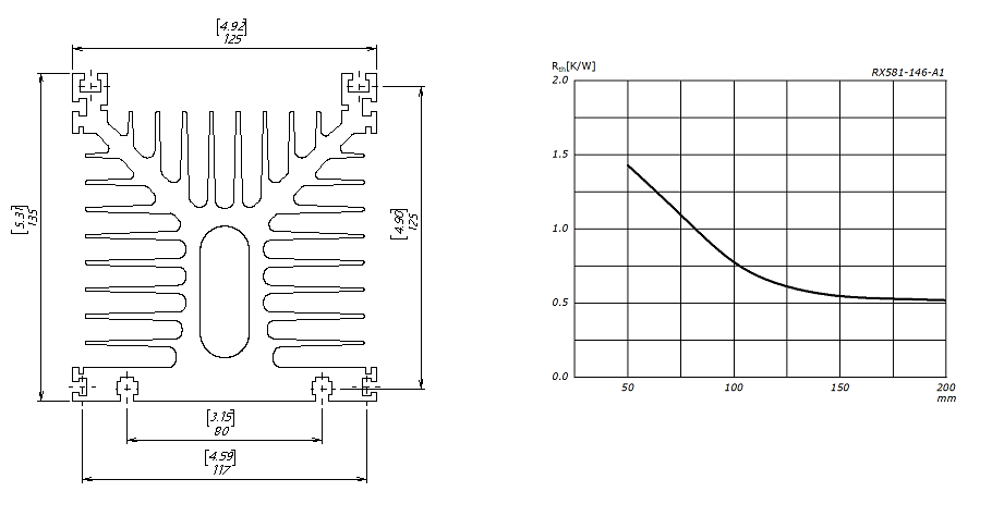
PN:                                                                                                                          RX581-146-A1
Thermal resistance:                                                                                                    1.4 ~ 0.51  
Length:                                                                                                                  80/120/200/300
Surface:                                                                             Clear/Black Anodize or  chrom-free transparent passivated
Width:                                                                                                                      125[4.92]
Height:                                                                                                                       135[5.31]
Plate thickness:                                                                                                            14[0.55]
Purchase Extruded Profile length:                                                                    1000 (mm)  [39.37 in] 
General surface                                                                  raw degreased aluminium (by the metre raw aluminium)
Weight:                                                                                                                 16.44 kg/meter

Drawing:

Other lengths and hole patterns on customer request.

Service 
(Download Drawing format (such as PDF, CAD)

               
Thank you for choosing to incorporate the Foring Pin Fin Heatsink series, If you need assistance, Renxin Thermal will support you with:
  • Engineering assistance for product design and manufacturability,
  • Thermal testing assistance for CFD analysis,Heasink / Cooling System Design, 
  • Base Price / Lead Time / in Stock 
Again thank you, and we look forward to working with you, 
For technical information and support   : info@renxin-precision.com 
For price / sample details, please contact our Sales Office : sales@renxin-precision.com

Download